Szerkezeti előnyök és jellemzők
1. A terméket a GB 12235 nemzeti szabvány szerint tervezték és gyártották, ésszerű szerkezettel, megbízható tömítéssel, teljesítménnyel és gyönyörű formával.
2. Fékszelep, a vas alapú aly vagy műhold (elie) szelepülék tömítőfelülete kobalt alapú ötvözet hegesztésből készült, kopásálló, magas hőmérséklet, korrózió, kopásgátló teljesítmény, hosszú élettartam.
3. A szár kioltása és a nitrogénkezelés jó korrózió- és karcállósággal rendelkezik.
4. Különféle szabványos csőkarimákkal és karimás tömítőfelület-típusokkal használható, hogy megfeleljen a különböző projektigényeknek és felhasználói követelményeknek.
5. A karosszéria anyagának változatossága, a csomagolás és a tömítés a tényleges munkakörülményeken alapulhat, vagy a felhasználó ésszerű opciót kér, és mindenféle nyomás-, hőmérséklet- és közegkörülmények között alkalmazható.
6. Csavaros csatlakozású tömítéssel zárja le a hátsó ülést vagy a karosszériát rozsdamentes acél hegesztéssel, tömítéssel és megbízható cserével, non-stop kényelmes és hatékony módon, nem befolyásolja a rendszer működését.
Szabványok és normák
| Tervezés és gyártás | Szerkezet hossza | Nyomás hőmérséklet minősítés | Csatlakozó karima | Teszt és ellenőrzés |
| GB 12235 | GB 12221 | GB 12224 | JB/T 79/82~1994 GB 9113 HG 20592-20635 | JB/T 9092-1999 GB 13927 |
Fő alkotóelemek anyaga
| Név | Anyag | ||||||||
| Karosszéria/motorháztető | CF8 | CF3 | CF8M | CF3M | WCB | LCB | WC6 | WC9 | C5 |
| Ék | CF8 | CF3 | CF8M | CF3M | WCB | LCB | WC6 | WC9 | C5 |
| Sztem | F304 | F304L | F316 | F316L | 2CR13 | F304 | F304 | F304 | F304 |
| Sztem Nut | Alumínium bronz | ||||||||
| Csomagolás | PTFE/rugalmas grafit | Grafit | |||||||
| Tömítés | PTFE/fém csomagolószőnyeg | Grafit | |||||||
| Mirigy | CF8 | CF3 | CF8M | CF3M | WCB | LCB | WC6 | WC9 | C5 |
| Csavar | 35CrMoA | ||||||||
| Nut | Rozsdamentes acél | 45、35CrMoA | |||||||
| Kézikerék | Rozsdamentes acél Cast Steel | ||||||||
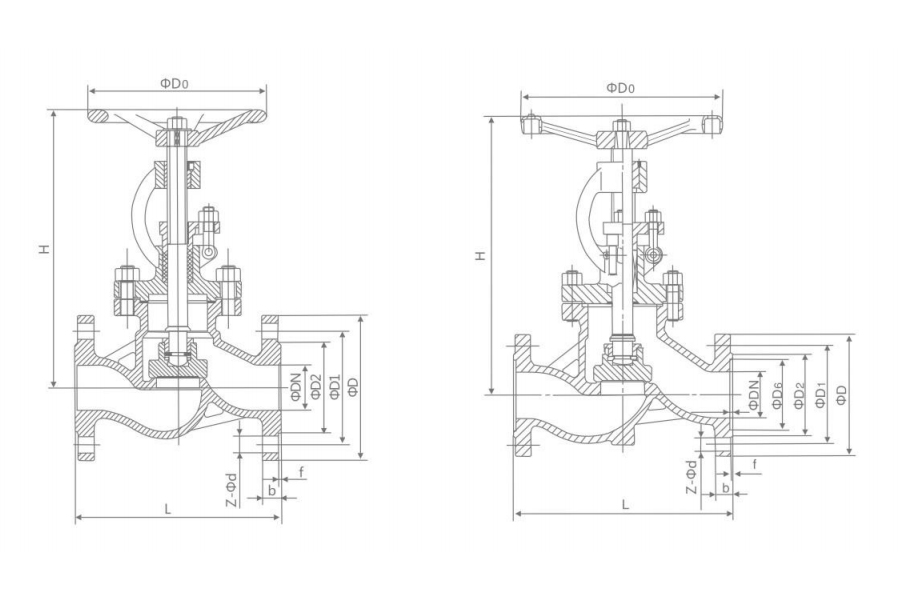
Fő külső és csatlakozási méret
| PN(MPa) | DN(mm) | Méret (mm) | elektromos eszköz modell | falvastagság | |||||||||
| L | D | D1 | D2 | D6 | b-f | f2 | Z-Φd | H | D0 | ||||
| 1.6 | 10 | 130 | 90 | 60 | 40 | 16-2 | 4-φ14 | 198 | 120 | 6.4 | |||
| 15 | 130 | 95 | 65 | 45 | 16-2 | 4-φ14 | 218 | 120 | 6.4 | ||||
| 20 | 150 | 105 | 75 | 55 | 18-2 | 4-φ14 | 230 | 140 | 6.4 | ||||
| 25 | 160 | 115 | 85 | 65 | 18-2 | 4-φ14 | 240 | 160 | 6.4 | ||||
| 32 | 180 | 140 | 100 | 78 | 18-2 | 4-φ18 | 250 | 180 | 6.4 | ||||
| 40 | 200 | 150 | 110 | 85 | 18-3 | 4-φ18 | 262 | 200 | 6.4 | ||||
| 50 | 230 | 165 | 125 | 100 | 18-3 | 4-φ18 | 280 | 240 | DZW10A | 7.9 | |||
| 65 | 290 | 185 | 145 | 120 | 18-3 | 8-φ18 | 327 | 280 | DZW10A | 11 | |||
| 80 | 310 | 200 | 160 | 135 | 20-3 | 8-φ18 | 355 | 280 | DZW10A | 11.5 | |||
| 100 | 350 | 220 | 180 | 155 | 20-3 | 8-φ18 | 415 | 320 | DZW15A | 12.5 | |||
| 125 | 400 | 250 | 210 | 185 | 22-3 | 8-φ18 | 460 | 360 | DZW20A | 13 | |||
| 150 | 480 | 285 | 240 | 210 | 22-3 | 8-φ22 | 510 | 400 | DZW30A | 13.5 | |||
| 200 | 600 | 340 | 295 | 265 | 24-3 | 12-φ22 | 588 | 400 | DZW45A | 15 | |||
| 250 | 650 | 405 | 355 | 320 | 26-3 | 12-φ26 | 725 | 450 | DZW60A | 16 | |||
| 300 | 750 | 460 | 410 | 375 | 28-4 | 12-φ26 | 925 | 500 | DZW90 | 18 | |||
| 350 | 850 | 520 | 470 | 435 | 30-4 | 16-φ26 | 1030 | 600 | DZW120 | 19 | |||
| 400 | 950 | 580 | 525 | 485 | 32-4 | 16-φ30 | 1170 | 700 | DZW180 | 21 | |||
| 450 | 1050 | 640 | 585 | 545 | 40-4 | 20-φ30 | 1220 | 800 | DZW180 | 21.5 | |||
| 500 | 1150 | 715 | 650 | 608 | 44-4 | 20-φ33 | 1410 | 900 | DZW250 | 22 | |||
| 600 | 1350 | 840 | 770 | 718 | 54-5 | 20-φ36 | 1610 | 1000 | DZW350 | 25 | |||
A Changshuiról
Changshui Technology Group Co., Ltd.is a valve integrating R&D, manufacturing, sales and service The manufacturer is currently one of the main suppliers of general-purpose valves in China. The main products are: gate valves, globe valves, butterfly valves, ball valves, check valves, regulating valves, pressure reducing valves, diaphragm valves, plug valves, plunger valves, drains Valves, hydraulic control valves, etc. A kiváló minőségű termékeket a felhasználók dicsérték és tisztelik a különböző iparágakban, és széles körben használják az építőiparban, fűtésben, vízellátásban, kőolaj-, vegyiparban, villamosenergia- és más iparágakban! A cég célja, hogy kiváló minőségű termékekkel járuljon hozzá a társadalomhoz. "Célunk, hogy a felhasználók elégedettek legyenek." Minőségpolitikánk a következő: "Megfelelje a felhasználók igényeit és elvárásait a termékminőséggel kapcsolatban, és ugorjon előre Első osztályú minőségirányítási szint, első osztályú termékek gyártása, első osztályú szolgáltatások létrehozása." A CSHUValve Industry készen áll arra, hogy új és régi barátokkal, kollégákkal dolgozzon együtt a társadalomban, valamint a hazai és külföldi felhasználókkal, hogy újra összefogjanak, és Floor, új dicsőséget teremtsen!
Bevezetés a pillangószelep alkatrészekbe A pillangószelep egy sokoldalú és széles körben használt szeleptípus a különböző iparágakban, kompakt k...
READ MOREGyakori tolózár-problémák A tolózárak a különféle ipari és lakossági rendszerek alapvető elemei, amelyek megbízható módot biztosítanak a víz- va...
READ MOREA visszacsapó szelepek megértése A visszacsapó szelep egy mechanikus eszköz, amely csak egy irányba engedi a folyadékot vagy a gázt. Elsődleges ...
READ MORE1. A gömbgrafitos öntvény áttekintése A gömbgrafitos öntöttvas vagy más néven gömbgrafitos öntöttvas öntöttvas egyfajta öntöttvas, amelyet nagy ...
READ MORE1. A szelepek és ülések megértése A szelepek és az ülések alapvető összetevői a folyadékok vagy gázok áramlásának szabályozásában a csővezetékek...
READ MORE